yl6809永利

yl6809永利(集团)有限公司官网
yl6809永利(集团)有限公司官网

旋转讨论

首页 - 产品展示

yl6809永利(集团)有限公司官网

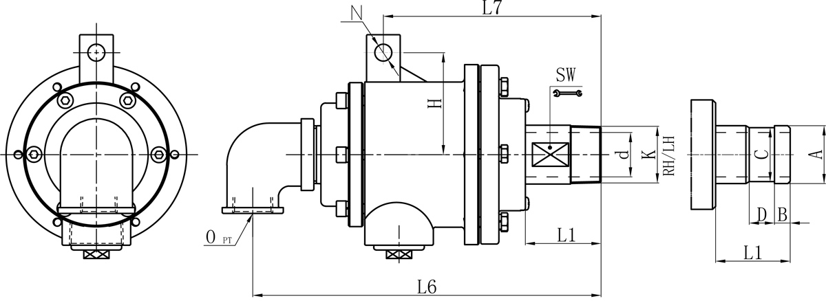
MXQL型 单通路

型号:MXQL
外管:螺纹或法兰
特征:正球面密封;;;;;;; 标准浸锑石墨密封手艺;;;;;;; 多道无油轴承支持;;;;;;; 支持间距最大化;;;;;;; 细密铸铁壳体;;;;;;; 双通路设计;;;;;;; 可自动调心;;;;;;; 分体式设计;;;;;;; 密封磨损刻度线 ,,,,,可预防性维护设计;;;;;;; 旋转轴外貌经耐磨损、耐侵蚀处置惩罚;;;;;;; 内管装置轻盈;;;;;;; 易于替换。。。。。

手艺参数:
适用介质 蒸汽、热油
最高温度 ≤220℃(蒸汽)、≤350℃(热油)
最高压力 ≤1.8MPa
最高转速 25A-50A≤200rpm

产品咨询 返回列表

销售效劳热线:

0595-8686 1188

yl6809永利(集团)有限公司官网


Model K O d L1 L6 L7 N H SW 法兰式外管尺寸比照表
A B C D
25A R1" Rc1" 23.5 53 236 153 12 66 32 34 12 32 18
32A R1-1/4" Rc1-1/4" 30 55 267 171 14 78 39 40 13 38 20
40A R1-1/2" Rc1-1/2" 36 65 288 187 14 85 46 47.8 13 45 20
50A R2" Rc2" 45 73 327 213 14 93 57 60 16 57 24

如属规格品外 ,,,,,本公司可配合要求制作。。。。。
规格尺寸若有修改 ,,,,,恕不另行通知。。。。。 

Copyright ?yl6809永利 版权所有 闽ICP备05026600号 中机标准化研究院 网站建设:科伟网络

【网站地图】